推荐产品
洗扫车主要通过液压系统和电控操作系统来完成道路清洁作业,其上装电控系统主要基于PLC**器、单片机或板卡进行洗扫车电气**系统的设计与实现,本文分别利用PLC**器、单片机对洗扫车电气**系统进行方案设计与功能实现。
一、**功能需求分析
洗扫车需要实现的动作主要包括:扫盘升降及外摆、扫刷旋转、喷嘴的喷雾降尘、侧喷杆外摆及喷水、吸盘下降及喷水、箱体的升降、箱门的开启与关闭、箱体自洁、前后喷雾等。
二、**系统方案设计
根据作业流程要求,系统**流程如下图1 所示。系统中使用接近开关来检测扫盘、侧喷杆、喷杆、吸盘、垃圾箱等部件的动作到位;同时,通过灯光、声音报**来提醒驾驶员垃圾箱污水满、清水箱水位过低,起到安全、**示作用。
图1 洗扫车工作流程
(1)基于PLC的电控系统设计方案
PLC**简单可靠、维护方便、通用性强,洗扫车上装**系统方案如下图2所示。
图2 **方案
在完成**系统方案设计后,进行PLC**系统硬件选型,建立PLC的I/O地址分配,确定**器型号,完成PLC的电路接线图,设计的上装电控系统电路图如下图3所示。
图3 电路原理图
完成PLC电控系统硬件选型及设计后,选择西门子Simatic line触摸屏,集成以太网口,支持Modbus RTU通讯协议,通过组态软件Wincc Flexible smart,可以很方便的进行人机交互**,如下图4所示。
图4 HMI人机交互
(2)基于单片机的电控系统设计方案
STM32系列单片机可配置有FSMC、TIMER、SPI、IIC、USB、CAN、IIS、SDIO、ADC、 DAC、RTC、DMA 等外设及功能,IO口通过重映射可实现多种功能。根据本方案设计中的输入输出I/O**点数需求,选择STM32系列STM32F407ZGT6单片机;触摸屏选择国产昆仑通态MCGS-TPC7062TX,通讯接口多,兼容性好。主要设计与实现的功能有:触摸屏与单片机进行RS485通讯,实现人机交互;CAN通讯接口可与车辆底盘通讯扩展使用;输出电路主要采用继电器驱动输出,更适合驱动电磁阀等大功率器件;输入电路采用光耦隔离,将其他电压的元器件降压隔离后输入单片机。整体单片机电路图如图5所示。
图5 电路原理图
图6系统供电
图7 CAN接口
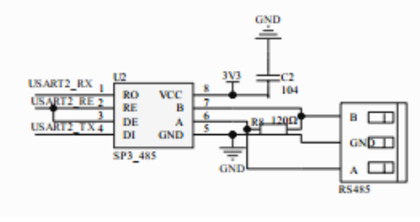
图8 RS485接口与HMI通讯
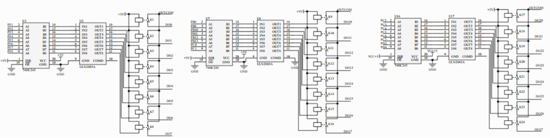
图9 DO输出接口
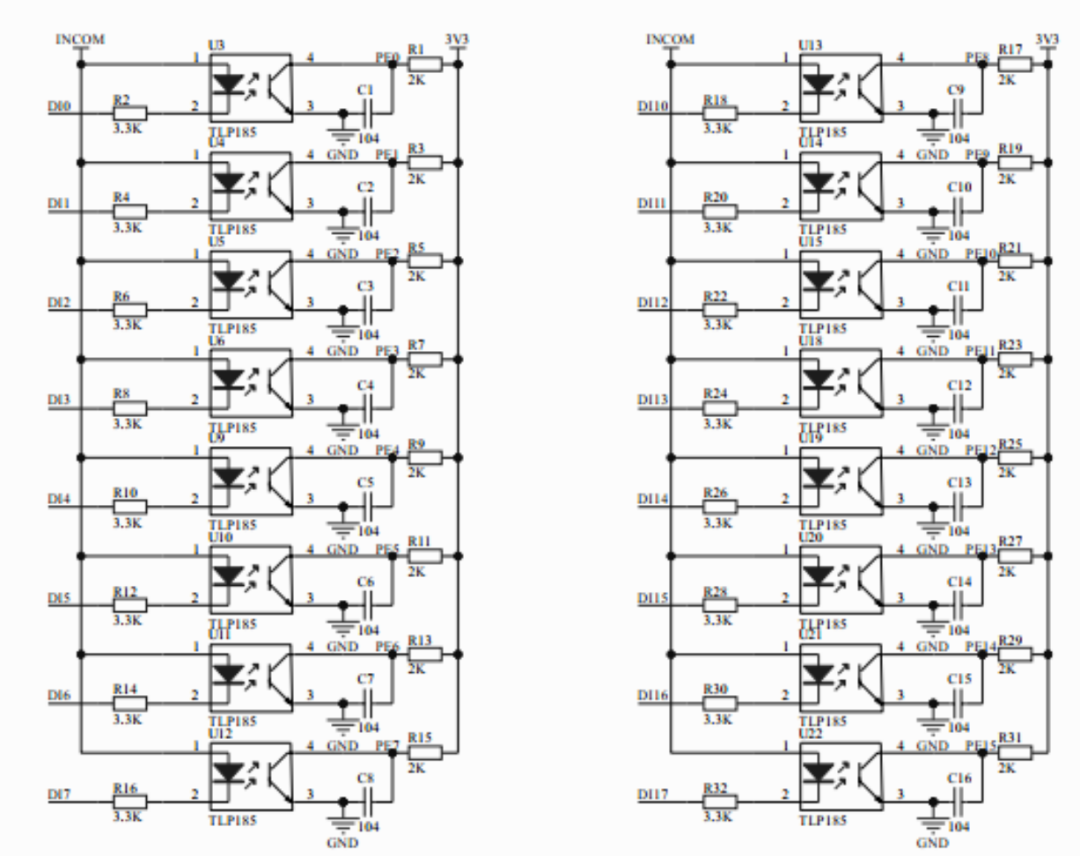
图10 DI输入接口
图11 HMI人机界面
实际操作中,单片机设计时要考虑EMC干扰、散热、防浪涌等诸多保护措施,以防止损坏或工作不正常。
三、总结
洗扫车的上装电控系统主要根据PLC、单片机或者板卡采集输入信号、逻辑判断,**终实现对**部件的操作,利用触摸屏进行人机交互,实现洗扫车的上装**功能,后续可通过CAN总线读取专用车底盘车辆信息进行融合**。